イノベーションのチカラで未来を拓く、IoTインテグレーター 富士ソフト組み込み開発サイト
メール
電話
メニュー
AVME-184
ご相談・ご質問などお気軽にお問い合わせください。
富士ソフトはAVME-184の国内販売店です。
富士ソフトの組み込み技術のエキスパートによる充実のサポート 富士ソフトだから実現できる、組み込み製品購入の万全サポート
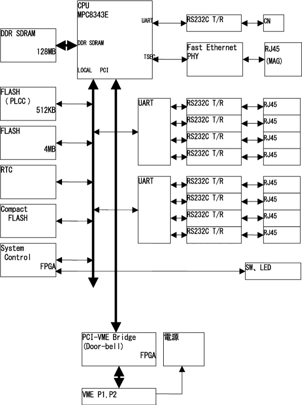
プロセッサにフリースケール・セミコンダクタ社のMPC8343 VRAGD 400MHz を搭載したVMEバス規格の6UサイズMPUボードです。
組み込み開発の現場経験が豊富な富士ソフトだから、購入前はもちろん、購入後でも安心していただけるサポート体制をご用意しております。
組み込み開発の各領域のエキスパートが、しっかりサポート致します。
詳しくはこちら
富士ソフトが扱う組み込み製品を「製品カテゴリ」「機能」「メーカー」から探すことができます。組み込み製品を選択肢の中から簡単に絞り込めるほか、 フリーワードで組み込み製品を検索することも可能です。各製品ページには、その組み込み製品について詳細な情報が掲載されています。
その他の産業用PCの製品検索こちら
製品詳細や価格などコンシェルジュにご相談できます!お気軽にお問い合わせください。
お急ぎの場合、お電話でのお問い合わせも承っております。TEL:050-3000-2102(インダストリービジネス事業部)までご連絡ください。
フォームが表示されるまでしばらくお待ち下さい。
恐れ入りますが、しばらくお待ちいただいてもフォームが表示されない場合は、こちらまでお問い合わせください。
お急ぎの方はこちらから
お探しの組み込み製品はキーワードで検索!